Gå til hovedinnhold

Effektiv kjølemodul for AM 1000

Airmaster lanserer nå RC 1000, en kjølemodul for AM 1000. Med RC 1000 er det nå mulig å kjøle ned for eksempel klasserom og kontorer på en effektiv måte.
Effektiv kjølemodul for AM 1000

Det er mange gode grunner til å optimalisere inneklimaet i skoler og institusjoner; et godt og sunt inneklima øker læring, mestring og den generelle trivselen til barna og unge som tilbringer mesteparten av dagen i skoler og institusjoner.

I tråd med økt fokus på ovennevnte, i tillegg til lovkrav for bl.a. CO2-nivåer i klasserommet. Dette sammen med høyere lufttetthet i bygninger, noe som stiller store krav til mekanisk ventilasjon, som skal sikre et sunt inneklima. I dag er det derfor et stort behov for evnen til å kjøle ned temperaturen i et rom.

Med en AM 1000 fra Airmaster kan du nå ha begge deler; et sunt inneklima med vårt desentraliserte ventilasjonssystem, kombinert med mulighet for nedkjøling av romtemperaturen, slik at du også opprettholder komforten på varme dager.

Effektiv kjøling - uten støyplager

Effektiv kjøling - uten støyplager

RC 1000 er en kjølemodul for AM 1000, hvor en kjøleflate forsynes med avkjølt væske fra ekstern tilførsel.
RC 1000 har en kapasitet på opptil 7kW, noe som betyr at den kan holde en lav innetemperatur i de aller fleste rom der en AM 1000 er installert. Aggregatet kobles til Airmasters vanlige styring, slik at du kan stille inn ønsket innblåsningstemperatur.

RC 1000 er utviklet slik at trykkfallet er så lavt at AM 1000 fortsatt leverer 950 m3/t ved 30 dB(A). Dette betyr at lydnivået på ventilasjonssystemet forblir nøyaktig det samme som AM 1000 allerede har.

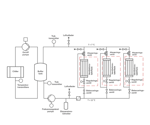
Prinsipp tegninger

Prinsipp tegninger

Systemet kan designes ut ifra individuelle behov, det vil si at det kun er størrelsen på kjøleren som avgjør hvor mange anlegg som kan kobles til.
NB: Illustrasjonen er kun et eksempel og kan ikke brukes i praksis. Eksempelet viser et system med 3 stk. AM 1000 anlegg.

Versjoner RC 1000

Produktkatalog 6.0

Melde deg på! - Du vil da motta Airmasters nyeste produktkatalog.

Produktkatalog 6.0

Kontakt vårt salgsteam

Kontakt oss dersom du vil vite mer om desentralisert ventilasjon

Vårt kompetente salgsteam står klare til å besvare dine spørsmål og gi deg råd om alt fra dimensjonering og konfigurasjon, til plassering og prosjektering – slik at du kan finne riktig anlegg for dine behov.